I-PEX MHF接口三代表貼式焊接PCB板

料號:1.2
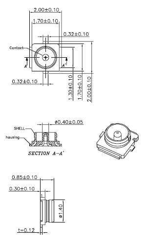
尺寸:L2.00*W2.00*H0.85 mm
標簽:RF連接器,IPEX三代,接PCB板

產品特征:

  • 高品質低損耗IPEX射頻同軸連接器(又稱MHF連接器/UFL連接器),產品品質達到ROHS標準要求,

  • 包含IPEX一代二代三代四代五代等不同型號,板端和接線端口可選,品類齊全,產品可以接受客戶定制化需求。

  • 13年生產經驗廠家直銷,批發價格優惠。1年質量保證,免費拿樣測試。

產品規格
產品規格
頻率范圍 DC-6GHz
絕緣阻抗 ≧ 500MΩ
額定電壓 60V AC(rms)
額定電流 0.5A AC
耐電壓 1000V AC
工作溫度 -30°C to +70°C
產品圖紙

1.2

包裝與運輸
發貨地 廣東省東莞
付款方式 銀行匯款
常規交貨期 7-10天
運輸方式 快遞/物流
包裝方式 吸塑盒+紙箱/ PE袋+紙箱
箱規 39.5*24.5*19.5cm
49.5*24.5*19.5cm
47*41*21cm
34*34*30cm